 
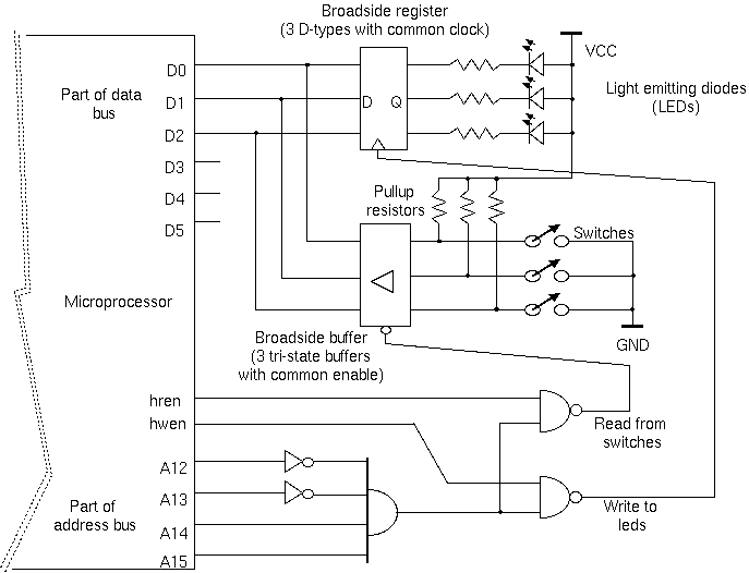
  Example of memory address decode and simple LED and switch interfacing for programmed I/O (PIO) using a microprocessor.
When the processor generates a read of the appropriate address, the tri-state buffer places the data from the switches on the data bus.
When the processor writes to the appropriate address, the broadside latch captures the data for display on the LEDs until the next write.
| 21: (C) 2008-18, DJ Greaves, University of Cambridge, Computer Laboratory. |